The fire hydrants, which are used as the water source of the professional teams, who have fire trained, and the fire brigade in firefighting, are designed to maintain their functionality for many years and to be easily noticed in case of an emergency. It allows remote intervention in risky areas and is designed to be resistant to external weather conditions in the areas where used. On the other hand, it has an easy access design in case of emergency and provides the opportunity to create an aesthetically "safe environment".
Type A is manufactured as not breakable.
The hydrant has two water outlets as standard, at the end of the outlets, there are made of brass 2½” (DN 65) fire valves. Also, at the end of the valves, there are 2½” (DN 65) aluminium Storz type couplings and blind caps.
As requested, the hydrant can be manufactured with 3 water outlets and different types of blind caps (ie: BS, NH, GOST, etc.).
Each hydrant is subjected to %100 pressure testing and quality control.
Wet Barrel Fire Hydrant
DIMENSIONS (mm) | |||||||
MODEL | STANDARD | TYPE | B Part Below Ground |
A | H | WATER OUTLET | DOWNLOAD |
WB 1610 | DN 80 | A | 500 | 450 | 1200 | 2X2 1/2" | PDF | DWG |
WB 1615 | DN 100 | A | 500 | 450 | 1220 | 2X2 1/2" | |
WB 1625 | DN 150 | A | 500 | 450 | 1255 | 2X2 1/2" |
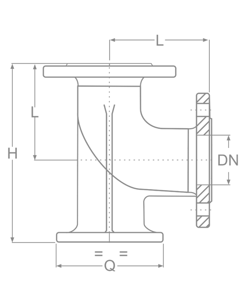
Duck Foot Bend
MODEL | DN | L | Q | H | DOWNLOAD |
F 0190 | 80 | 165 | 180 | 275 | PDF | DWG |
F 0191 | 100 | 180 | 200 | 305 | |
F 0225 | 150 | 190 | 155 | 330 |